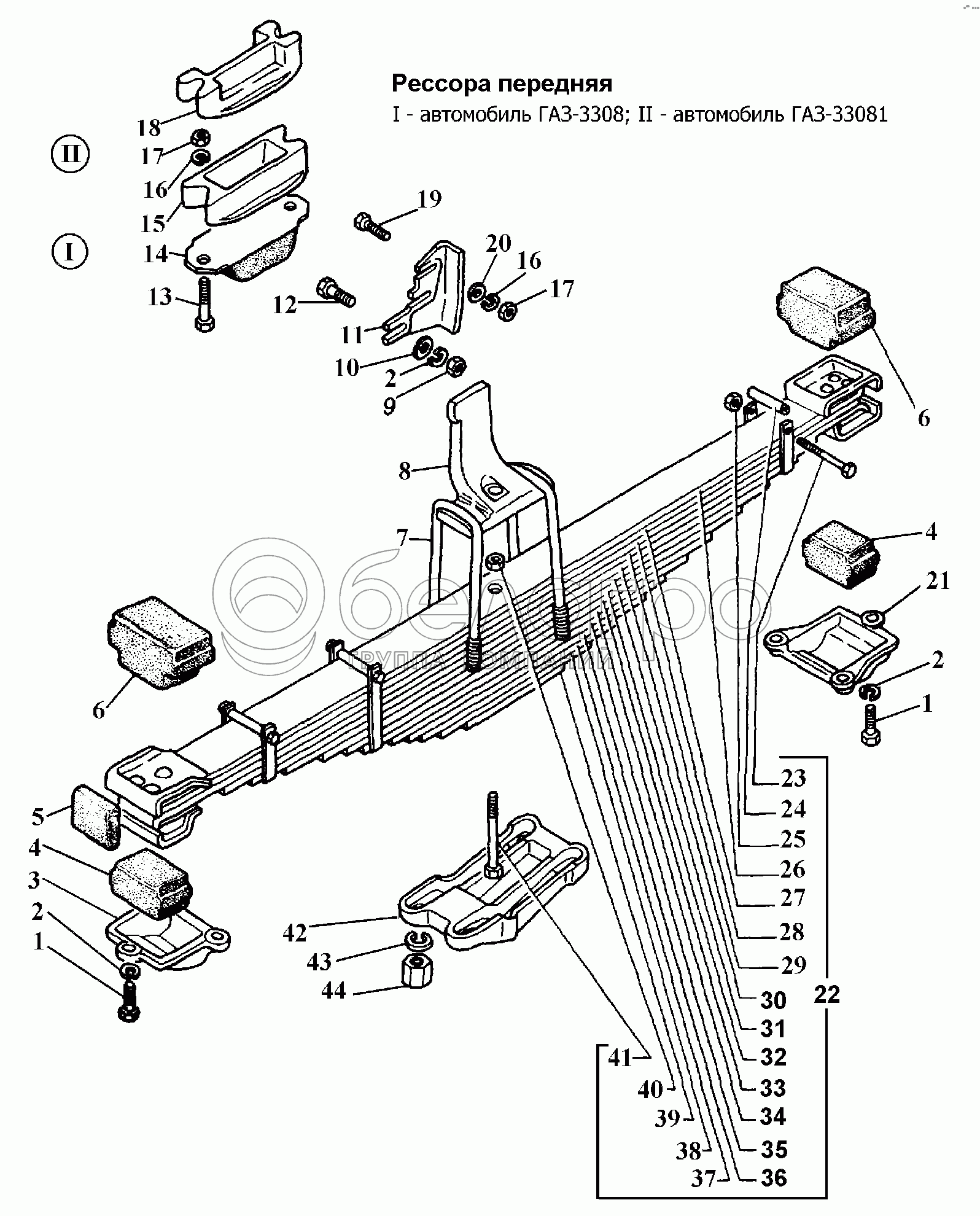
Каталог запасных частей к технике: ГАЗ-3308. Рессора передняя

zoom-in zoom-out enlarge shrink circle-right circle-left file-text2 info cart arraw right arraw left zoom out zoom in arraw maximize arraw minimize
1
1
2
2
2
3
4
4
5
6
6
7
8
10
11
12
13
14
15
16
16
17
17
18
19
20
21
22
23
24
25
26
27
28
29
30
31
32
33
34
35
36
37
38
39
40
41
42
43
44
1
4593471645
Болт М14x50
В узле: 1
2
252138-П2
Шайба 14.ОТ ОСТ 37.001.115-75
В узле: 1
3
52-2912450
Крышка переднего кронштейна
В узле: 2
4
52-2902431
Опора рессоры верхняя
В узле: 4
5
53-2902433-А
Упор рессоры
В узле: 2
6
53-2912431
Опора рессоры верхняя
В узле: 4
7
66-2902408-02
Стремянка передней рессоры
В узле: 4
8
3308-2902412-10
Накладка передней рессоры правая
В узле: 1
8
3308-2902413-10
Накладка передней рессоры левая
В узле: 1
10
252016-П29
Шайба 14 ОСТ 37.001.144-96
В узле: 1
11
3308-2902656-10
Буфер- кронштейн правый
В узле: 1
11
3308-2902657-10
Буфер- кронштейн левый
В узле: 1
12
4593481666
Болт М14х1,5
В узле: 1
13
201510-П29
Болт М10-6gх65 ОСТ 37.001.123-96
В узле: 4
14
51-2912622
Буфер задней рессоры в сборе
В узле: 2
15
51-2912630
Подкладка буфера задней рессоры
В узле: 2
16
252136-П2
Шайба 10 ОТ ОСТ 37.001.115-75
В узле: 1
17
250512-П29
Гайка М10-6Н ОСТ 37.001.124-93
В узле: 1
18
33027-2912630
Подкладка буфера задней рессоры
В узле: 2
19
290775-П29
Болт М10-6gх40
В узле: 1
20
293340-П29
Шайба 10 ГОСТ 10450-78
В узле: 1
21
4301-2912452
Крышка заднего кронштейна рессоры
В узле: 2
22
3308-2902012-01
Рессора передняя
В узле: 2
23
200277-П2
Болт М8-6gх90 ОСТ 37.001.122-96
В узле: 1
24
51-2902068
Втулка распорная хомута рессоры
В узле: 3
25
250510-П2
Гайка М8-6Н ОСТ 37.001.124-93
В узле: 1
26
33097-2902015
Лист №1 передней рессоры с чашками
В узле: 1
27
3308-2902101
Лист №1 передней рессоры
В узле: 1
28
33097-2902016
Лист №2 передней рессоры с чашками
В узле: 1
29
53А-2902103
Лист №3 передней рессоры
В узле: 1
30
3308-2902051
Лист №4 передней рессоры с хомутами
В узле: 1
31
53А-2902105
Лист №5 передней рессоры
В узле: 1
32
53А-2902106
Лист №6 передней рессоры
В узле: 1
33
53А-2902107
Лист №7 передней рессоры
В узле: 1
34
3308-2902052
Лист №8 передней рессоры с хомутом
В узле: 1
35
53А-2902109
Лист №9 передней рессоры
В узле: 1
36
53А-2902110
Лист №10 передней рессоры
В узле: 1
37
53А-2902111
Лист №11 передней рессоры
В узле: 1
38
53А-2902112
Лист №12 передней рессоры
В узле: 1
39
3308-2902113
Лист №13
В узле: 1
40
251815-П29
Гайка М12х1,25-6Н
В узле: 1
41
291577-П29
Болт М12х1,25х110
В узле: 1
42
66-2902418
Подкладка стремянок передней рессоры правая
В узле: 1
42
66-2902419
Подкладка стремянок передней рессоры левая
В узле: 1
43
252141-П2
Шайба 20.ОТ ОСТ 37.001.115-75
В узле: 1
44
4595551375
Гайка М20х1,5
В узле: 1
Содержащиеся в справочниках-каталогах запасные части и детали не предлагаются к продаже, а носят исключительно информационный характер

Ваша заявка была отправлена. В ближайшее время наши специалисты с Вами свяжутся по указанному Вами телефону.

Представьтесь
Поле обязательно для заполнения
Ваш телефон
Введите правильный номер телефона
E-mail
Введите правильный e-mail
Тема
Тема
применяемость финансирование доставка цена, наличие другое сервис и гарантия
Время для звонка
08:00
08:00 09:00 10:00 11:00 12:00 13:00 14:00 15:00 16:00 17:00 18:00 19:00
19:00
08:00 09:00 10:00 11:00 12:00 13:00 14:00 15:00 16:00 17:00 18:00 19:00

Мы постараемся перезвонить в указанное время

Если вы не хотите ждать, то звоните нашим вежливым консультантам:

8 800 100-2-700
Название
Представьтесь
Поле обязательно для заполнения
Ваш город
Ваш город
Ваш телефон
Введите правильный номер телефона
E-mail
Введите правильный e-mail
Сообщение
Вы можете приложить любые документы (например, список требуемых позиций)
Подтвердите, что вы не робот
Подтвердите, что вы не робот
Подтвердите, что вы не робот
Подтвердите, что вы не робот
Спасибо!

Ваше сообщение успешно отправлено!

ЗакрытьПовторить попытку