Каталог запасных частей к технике: Минитракторы Уралец. Механизм управления тормозом

zoom-in zoom-out enlarge shrink circle-right circle-left file-text2 info cart arraw right arraw left zoom out zoom in arraw maximize arraw minimize
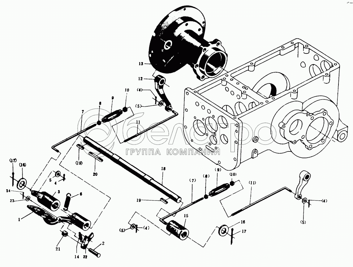
1
2
3
4
4
4
4
5
5
5
5
6
7
7
8
8
9
9
10
10
11
11
12
13
14
15
16
16
17
17
18
19
19
20
21
22
23
24
1
14.43.123
Педаль тормоза
В узле: 1
2
10T.43.124
Палец оттяжной пружины замковой лапы
В узле: 1
3
16.43.113
Рычаг растягивающий правый
В узле: 1
4
GB91-86
Шплинт
В узле: 4
5
GB97.1-85
Шайба
В узле: 4
6
10T.43.114
Пружина педали оттяжная
В узле: 1
7
10T.43.108
Тяга тормозная
В узле: 2
8
GB6170-86
Гайка
В узле: 2
9
10T.43.110
Соединитель
В узле: 2
10
GB6170-86
Гайка
В узле: 2
11
10T.43.109
Тяга
В узле: 2
12
16.43.106
Рычаг правый
В узле: 1
13
16.37.157
Кожух правой полуоси
В узле: 1
14
10T.43.115
Пружина замковой лапы оттяжная
В узле: 1
15
10T.43.112
Рычаг растягивающий левый
В узле: 1
16
GB97.1-85
Шайба
В узле: 2
17
GB91-86
Шплинт
В узле: 2
18
16.43.111
Валик педали
В узле: 1
19
GB1096-79
Шпонка
В узле: 2
20
GB1096-79
Шпонка
В узле: 1
21
10T.43.117-A
Втулка распорная
В узле: 1
22
10T.43.126
Лапа замковая
В узле: 1
23
GB97.1-85
Шайба
В узле: 1
24
GB91-86
Шплинт
В узле: 1
Содержащиеся в справочниках-каталогах запасные части и детали не предлагаются к продаже, а носят исключительно информационный характер

Ваша заявка была отправлена. В ближайшее время наши специалисты с Вами свяжутся по указанному Вами телефону.

Представьтесь
Поле обязательно для заполнения
Ваш телефон
Введите правильный номер телефона
E-mail
Введите правильный e-mail
Тема
Тема
применяемость финансирование доставка цена, наличие другое сервис и гарантия
Время для звонка
08:00
08:00 09:00 10:00 11:00 12:00 13:00 14:00 15:00 16:00 17:00 18:00 19:00
19:00
08:00 09:00 10:00 11:00 12:00 13:00 14:00 15:00 16:00 17:00 18:00 19:00

Мы постараемся перезвонить в указанное время

Если вы не хотите ждать, то звоните нашим вежливым консультантам:

8 800 100-2-700
Название
Представьтесь
Поле обязательно для заполнения
Ваш город
Ваш город
Ваш телефон
Введите правильный номер телефона
E-mail
Введите правильный e-mail
Сообщение
Вы можете приложить любые документы (например, список требуемых позиций)
Подтвердите, что вы не робот
Подтвердите, что вы не робот
Подтвердите, что вы не робот
Подтвердите, что вы не робот
Спасибо!

Ваше сообщение успешно отправлено!

ЗакрытьПовторить попытку