Каталог запасных частей к технике: МТЗ 1025/1025.2/1025.3. Корпус сцепления

zoom-in zoom-out enlarge shrink circle-right circle-left file-text2 info cart arraw right arraw left zoom out zoom in arraw maximize arraw minimize
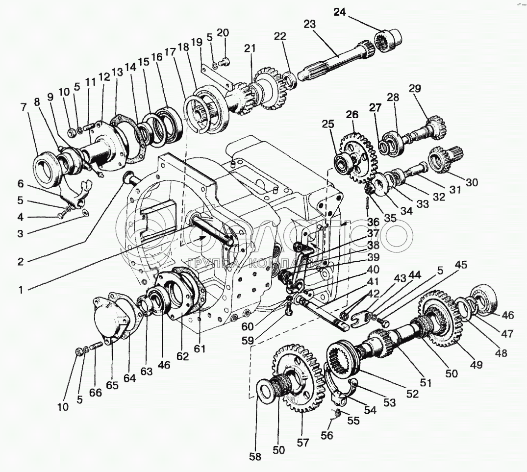
1
2
3
4
5
5
5
5
5
6
7
8
9
10
10
11
12
13
14
15
16
17
18
19
20
21
22
23
24
25
26
27
28
29
30
31
32
33
34
35
36
37
38
39
40
41
42
43
44
45
46
46
47
48
49
50
50
51
52
53
54
55
56
57
58
59
60
61
62
63
64
65
66
6
85-1601203
Вилка
В узле: 1
85-1601203 Вилка МТЗ сцепления отводки <10 шт. 29 136 тнг.
21
85-1601026
Вал
В узле: 1
85-1601026 Вал МТЗ ведущий привода ВОМ(230мм) Под заказ 73 225 тнг.
23
80-1601113-01
Вал
В узле: 1
80-1601113-01 Вал МТЗ силовой сцепления*, Беларусь Под заказ 12 925 тнг.
80-1601113-01 Вал МТЗ силовой сцепления* Под заказ 34 469 тнг.
80-1601113-01 Вал МТЗ силовой сцепления, (А) Под заказ 4 279 тнг.
35
70-3003032
Гайка
В узле: 1
70-3003032 Гайка нижняя МТЗ раздаточной коробки, корончатая, М18х1,5, (А) Под заказ 41 тнг.
70-3003032 Гайка нижняя МТЗ раздаточной коробки, корончатая, М18х1,5, САЗ* >10 шт. 420 тнг.
37
80-1601219-Б
Рычаг
В узле: 1
80-1601219-Б Рычаг МТЗ привода выключения сцепления, САЗ Под заказ 3 439 тнг.
39
36-1601016
Корпус пылеотражателя
В узле: 1
36-1601016 Корпус МТЗ Под заказ 104 тнг.
40
СШ-611
Шпонка
В узле: 1
СШ-611 Шпонка МТЗ 6х11, Г8795 Под заказ 343 тнг.
63
80-1701045
Гайка
В узле: 1
80-1701045 Гайка МТЗ, БЗТДиА >10 шт. 4 183 тнг.
1
85-1601150
Вал в сборе
В узле: 1
1
85-1601215
Вал
В узле: 1
2
50-1601022
Заглушка
В узле: 1
3
50-1601218
Шпонка
В узле: 1
4
БолтМ10-6gx30.88.35.019
Болт
В узле: 1
5
Шайба10.ОТ
Шайба
В узле: 10
7
986714КС17
Подшипник упорный
В узле: 1
8
50-1601185-A
Отводка
В узле: 1
8
50-1601180-A
Отводка
В узле: 1
9
Масленка1.1.Ц9.хр
Масленка
В узле: 1
10
ГайкаМ10-6Н.6.019
Гайка
В узле: 6
11
ШпилькаМ103р/6gx25.66.019
Шпилька М10 3р/6gx25.66.019
В узле: 3
12
80-1601030-01
Кронштейн отводки
В узле: 1
12
85-1601172
Кронштейн
В узле: 1
13
80-1601173
Прокладка
В узле: 1
14
240-1002055
Манжета 2.1-50х70-4
В узле: 1
15
80-1601319
Шайба
В узле: 1
16
115К5
Подшипник
В узле: 1
17
КольцоС105
Кольцо С105
В узле: 1
18
76-1000921
Подшипник
В узле: 1
19
80-1601318
Планка
В узле: 1
20
БолтМ10-6gx25.88.35.019
Болт
В узле: 2
21
80-1601050-01
Вал
В узле: 1
22
Манжета2.2-38х58-1
Манжета
В узле: 1
24
80C-1601061
Втулка
В узле: 1
25
305А
Подшипник
В узле: 1
26
80-1601357-Б
Шестерня
В узле: 1
27
КольцоС35
Кольцо С35
В узле: 1
28
207
Шарикоподшипник
В узле: 1
29
80-1601071-Б
Шестерня
В узле: 1
29
80-1601070
Шестерня с кольцом и подшипником в сборе
В узле: 1
30
80-1601180
Шестерня 80-1601182 с осью, подшипником и кольцом в сборе
В узле: 1
30
80-1601182
Шестерня
В узле: 1
31
80-1601181
Ось
В узле: 1
32
204А
Подшипник
В узле: 1
33
КольцоС47
Кольцо С47
В узле: 1
34
80-1601356
Шайба упорная
В узле: 1
36
Шплинт3,2х25.019
Шплинт
В узле: 1
38
80-4608024
Кольцо
В узле: 1
41
85-1601111
Валик
В узле: 1
42
Кольцо020-025-30-1-4
Кольцо 020-025-30-1-4
В узле: 2
43
85-1601099
Пластина
В узле: 1
44
ШайбаС10.01.019
Шайба С10.01.019
В узле: 1
45
БолтМ10-6gx20.88.35.019
Болт
В узле: 1
46
209А
Подшипник
В узле: 2
47
Кольцо2С50
Кольцо
В узле: 1
48
80-1601083
Шайба
В узле: 1
49
80-1601086-A
Шестерня
В узле: 1
50
664910Е
Подшипник
В узле: 2
51
80-1601160
Вал с подшипниками в сборе
В узле: 1
51
80-1601021
Вал
В узле: 1
52
112-1701343
Муфта
В узле: 1
53
70-1601114
Штифт
В узле: 2
54
80-1601190
Вилка со штифтом в сборе
В узле: 1
54
80-1601191
Вилка
В узле: 1
55
50-4604046
Болт вилки
В узле: 1
56
Проволока1,0-О-С
Проволока 1,0-О-С
В узле: 1
57
80-1601088-A
Шестерня
В узле: 1
58
80-1601082
Шайба
В узле: 1
59
БолтМ12-6gx35.88.35.019
Болт
В узле: 1
60
Шайба12.ОТ
Шайба
В узле: 1
61
80-1601091
Прикладка
В узле: 1
62
80-1601040
Стакан с гайкой в сборе
В узле: 1
62
80-1601041
Стакан
В узле: 1
64
80-1601092
Прокладка
В узле: 1
65
80-1601089
Крышка
В узле: 1
66
ШпилькаМ103р/6gx35.66.019
Шпилька
В узле: 3
Содержащиеся в справочниках-каталогах запасные части и детали не предлагаются к продаже, а носят исключительно информационный характер

Ваша заявка была отправлена. В ближайшее время наши специалисты с Вами свяжутся по указанному Вами телефону.

Представьтесь
Поле обязательно для заполнения
Ваш телефон
Введите правильный номер телефона
E-mail
Введите правильный e-mail
Тема
Тема
применяемость финансирование доставка цена, наличие другое сервис и гарантия
Время для звонка
08:00
08:00 09:00 10:00 11:00 12:00 13:00 14:00 15:00 16:00 17:00 18:00 19:00
19:00
08:00 09:00 10:00 11:00 12:00 13:00 14:00 15:00 16:00 17:00 18:00 19:00

Мы постараемся перезвонить в указанное время

Если вы не хотите ждать, то звоните нашим вежливым консультантам:

8 800 100-2-700
Название
Представьтесь
Поле обязательно для заполнения
Ваш город
Ваш город
Ваш телефон
Введите правильный номер телефона
E-mail
Введите правильный e-mail
Сообщение
Вы можете приложить любые документы (например, список требуемых позиций)
Подтвердите, что вы не робот
Подтвердите, что вы не робот
Подтвердите, что вы не робот
Подтвердите, что вы не робот
Спасибо!

Ваше сообщение успешно отправлено!

ЗакрытьПовторить попытку