Каталог запасных частей к технике: МТЗ-1005. Аккумуляторная батарея

zoom-in zoom-out enlarge shrink circle-right circle-left file-text2 info cart arraw right arraw left zoom out zoom in arraw maximize arraw minimize
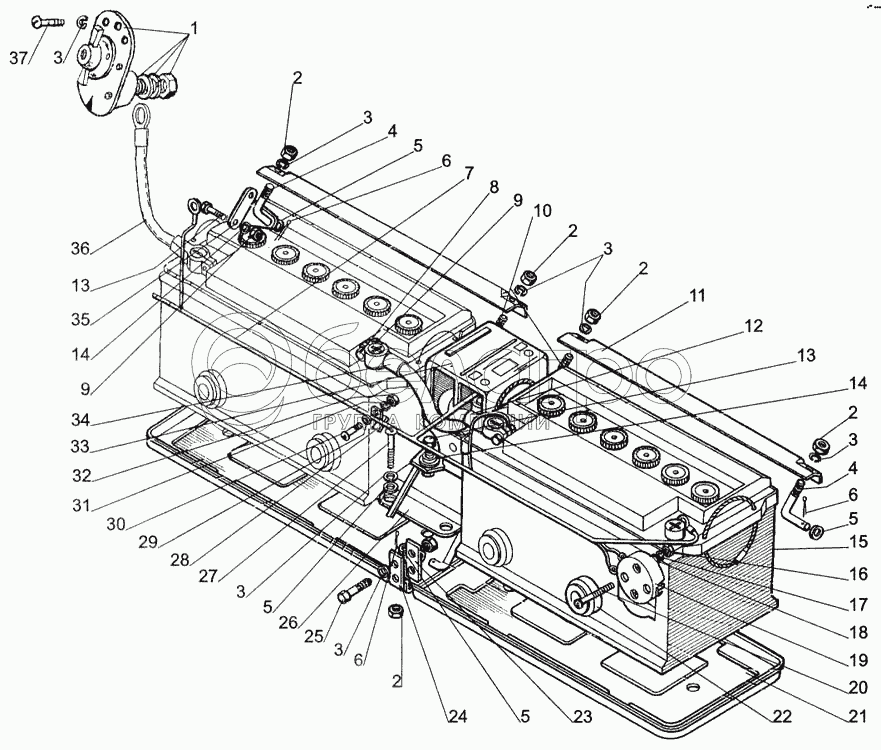
1
2
2
2
2
2
3
3
3
3
3
3
4
4
5
5
5
5
6
6
6
7
8
9
9
10
11
12
13
13
14
14
15
16
17
18
19
20
21
22
23
24
25
26
27
28
29
30
31
32
33
34
35
36
37
33
8632.2/7
Переключатель
В узле: 1
8632.2/7 Переключатель 12/24В SPILE <10 шт. 13 424 тнг.
36
80-3724043-А
Провод
В узле: 1
80-3724043-А Жгут МТЗ провод-перемычка, L=700мм (клемма на стартер), Беларусь Под заказ 2 241 тнг.
М6х25
Винт
В узле: 2
1
ТO.020
Выключатель массы
В узле: 1
32
М5
Гайка
В узле: 1
3
ШП6
Шайба
В узле: 15
4
70-3703021-Б
Шпилька
В узле: 2
5
ШЧ6
Шайба
В узле: 8
6
2х12
Шплинт
В узле: 4
7
80-3724340
Жгут
В узле: 1
8
М8х30
Болт
В узле: 4
9
М8
Гайка
В узле: 6
10
80-3703046-А
Шпилька
В узле: 2
11
80-3703044
Прижим
В узле: 2
12
80-3724043
Провод
В узле: 1
13
М8х20
Болт
В узле: 8
14
ШП8
Шайба
В узле: 6
15
12В 100А/ч
Батарея аккумуляторная
В узле: 2
16
М3
Гайка
В узле: 2
17
ШП3
Шайба
В узле: 2
18
ШЧ3
Шайба
В узле: 2
19
47К
Розетка
В узле: 1
20
ВМ3х30
Винт
В узле: 2
21
80-3703037
Основание
В узле: 2
22
80-3703016
Амортизатор
В узле: 4
23
80-3703042
Кронштейн
В узле: 2
24
80-3703043
Накладка
В узле: 2
25
М6х20
Винт
В узле: 2
26
80-3710025
Кронштейн
В узле: 1
27
ВМ6х20
Винт
В узле: 4
28
80-3723043
Скоба
В узле: 1
29
ШЧ5
Шайба
В узле: 1
30
ВМ5х16
Винт
В узле: 1
31
ШП5
Шайба
В узле: 1
34
80-3724044-А
Провод
В узле: 1
35
52-1802087-Б
Ушко
В узле: 1
37
ВМ6х16
Винт
В узле: 3
Содержащиеся в справочниках-каталогах запасные части и детали не предлагаются к продаже, а носят исключительно информационный характер

Ваша заявка была отправлена. В ближайшее время наши специалисты с Вами свяжутся по указанному Вами телефону.

Представьтесь
Поле обязательно для заполнения
Ваш телефон
Введите правильный номер телефона
E-mail
Введите правильный e-mail
Тема
Тема
применяемость финансирование доставка цена, наличие другое сервис и гарантия
Время для звонка
08:00
08:00 09:00 10:00 11:00 12:00 13:00 14:00 15:00 16:00 17:00 18:00 19:00
19:00
08:00 09:00 10:00 11:00 12:00 13:00 14:00 15:00 16:00 17:00 18:00 19:00

Мы постараемся перезвонить в указанное время

Если вы не хотите ждать, то звоните нашим вежливым консультантам:

8 800 100-2-700
Название
Представьтесь
Поле обязательно для заполнения
Ваш город
Ваш город
Ваш телефон
Введите правильный номер телефона
E-mail
Введите правильный e-mail
Сообщение
Вы можете приложить любые документы (например, список требуемых позиций)
Подтвердите, что вы не робот
Подтвердите, что вы не робот
Подтвердите, что вы не робот
Подтвердите, что вы не робот
Спасибо!

Ваше сообщение успешно отправлено!

ЗакрытьПовторить попытку