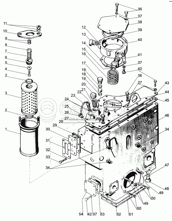
Каталог запасных частей к технике: МТЗ-1005. Бак масляный и фильтр

zoom-in zoom-out enlarge shrink circle-right circle-left file-text2 info cart arraw right arraw left zoom out zoom in arraw maximize arraw minimize
1
2
2
3
4
5
5
6
7
8
9
10
11
12
13
14
15
16
17
18
19
19
20
21
22
22
23
24
25
26
27
28
29
30
31
32
33
34
34
36
36
37
37
37
37
38
39
40
41
42
42
43
44
45
46
46
47
48
49
49
50
50
51
52
53
54
2
042-050-46-2-2
Кольцо
В узле: 2
042-050-46-2-2 Кольцо уплотнительное, Беларусь >10 шт. 112 тнг.
5
А28.04.10.000
Клапан 8.20.004 в сборе
В узле: 1
А28.04.10.000 Клапан МТЗ масляного фильтра Под заказ 7 132 тнг.
10
А28.04.00.001
Ограничитель
В узле: 1
А28.04.00.001 Ограничитель корпуса МТЗ масляного фильтра Под заказ 302 тнг.
16
85-4608057
Пружина
В узле: 1
85-4608057 Пружина МТЗ, Беларусь <10 шт. 368 тнг.
М10
Гайка
В узле: 2
ШП10
Шайба
В узле: 4
1
А28.04.20.000-А
Корпус
В узле: 1
3
761-00-00-00
Элемент фильтрующий Реготмас 635-1
В узле: 1
4
В1.М6х40
Винт
В узле: 1
5
8.20.004
Клапан
В узле: 1
6
А28.04.10.001
Корпус
В узле: 1
7
8.20.002
Пружина
В узле: 1
8
8.20.005
Шайба опорная
В узле: 1
9
2М6
Гайка
В узле: 2
11
М6
Гайка
В узле: 4
12
021-025-25-1-4
Кольцо
В узле: 1
13
85-4608021
Пробка
В узле: 1
14
85-4608089
Прокладка
В узле: 1
15
С80-4607034
Штуцер
В узле: 1
17
50-4608059
Пробка сапуна
В узле: 1
18
50-4608063
Фильтр
В узле: 1
19
50-4608062
Шайба сапуна
В узле: 2
20
КГ 1/4
Пробка
В узле: 1
21
А61-С06-А2
Фильтр
В узле: 1
22
85-4608091
Клапан
В узле: 1
22
85-4608090
Клапан 85-4608091 в сборе
В узле: 1
23
50-1002450
Цепочка
В узле: 1
24
011-015-25-2-4
Кольцо
В узле: 2
25
36-1101067
Кольцо
В узле: 2
26
50-3407069
Чека
В узле: 1
27
М12х20
Болт
В узле: 3
28
ШП12
Шайба
В узле: 3
29
85-4608086-А
Прокладка
В узле: 1
30
85-4608087
Указатель
В узле: 1
31
85-4608088
Пластина
В узле: 1
32
ШП6
Шайба
В узле: 6
33
М6х16
Винт
В узле: 6
34
М10ХТ2/6gх20
Шпилька
В узле: 3
35
М8х80
Болт
В узле: 1
36
М8х25
Болт
В узле: 5
37
ШП8
Шайба
В узле: 27
38
85-4608022
Крышка
В узле: 1
39
130-135-30-2-4
Кольцо
В узле: 1
40
85-4608018-01
Стакан
В узле: 1
41
027-032-30-2-4
Кольцо
В узле: 1
42
М8х20
Болт
В узле: 20
43
85-4608025-02
Крышка
В узле: 1
44
80-4608073
Кронштейн
В узле: 1
45
85-4608031
Прокладка
В узле: 1
46
85-4608010-01
Корпус гидросистемы в сборе
В узле: 1
46
85-4608016
Корпус гидросистемы
В узле: 1
47
017-022-30-2-2
Кольцо
В узле: 1
48
50-4608027-В
Пробка
В узле: 1
49
М10ХТ2/6gх35
Шпилька
В узле: 2
50
М10х40
Болт
В узле: 2
51
70-4608072
Пластина
В узле: 1
52
50-4608049
Прокладка
В узле: 2
53
70-4608033
Прокладка
В узле: 1
54
70-4608019
Крышка
В узле: 1
Содержащиеся в справочниках-каталогах запасные части и детали не предлагаются к продаже, а носят исключительно информационный характер

Ваша заявка была отправлена. В ближайшее время наши специалисты с Вами свяжутся по указанному Вами телефону.

Представьтесь
Поле обязательно для заполнения
Ваш телефон
Введите правильный номер телефона
E-mail
Введите правильный e-mail
Тема
Тема
применяемость финансирование доставка цена, наличие другое сервис и гарантия
Время для звонка
08:00
08:00 09:00 10:00 11:00 12:00 13:00 14:00 15:00 16:00 17:00 18:00 19:00
19:00
08:00 09:00 10:00 11:00 12:00 13:00 14:00 15:00 16:00 17:00 18:00 19:00

Мы постараемся перезвонить в указанное время

Если вы не хотите ждать, то звоните нашим вежливым консультантам:

8 800 100-2-700
Название
Представьтесь
Поле обязательно для заполнения
Ваш город
Ваш город
Ваш телефон
Введите правильный номер телефона
E-mail
Введите правильный e-mail
Сообщение
Вы можете приложить любые документы (например, список требуемых позиций)
Подтвердите, что вы не робот
Подтвердите, что вы не робот
Подтвердите, что вы не робот
Подтвердите, что вы не робот
Спасибо!

Ваше сообщение успешно отправлено!

ЗакрытьПовторить попытку