Каталог запасных частей к технике: МТЗ-1021.3. Пол кабины

zoom-in zoom-out enlarge shrink circle-right circle-left file-text2 info cart arraw right arraw left zoom out zoom in arraw maximize arraw minimize
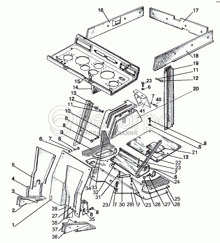
1
2
3
4
5
6
6
6
6
6
6
7
7
7
7
7
8
8
8
8
9
10
11
11
12
12
13
13
14
15
16
17
18
19
20
21
22
23
23
23
23
24
25
26
27
27
28
29
30
30
31
32
33
33
34
35
36
37
38
39
40
41
12
А37.10.031
Бонка
В узле: 28
А37.10.031 Бонка МТЗ, Беларусь >10 шт. 15 тнг.
13
80-6702111
Прижим
В узле: 1
80-6702111 Прижим МТЗ Под заказ 1 716 тнг.
26
80-6702315-Б
Панель
В узле: 1
80-6702315-Б Панель МТЗ <10 шт. 14 829 тнг.
34
80-6702820
Накладка (для тракторов с ПВМ)
В узле: 1
80-6702820 Накладка МТЗ пола кабины Под заказ 2 666 тнг.
1
80-6700300
Панель
В узле: 1
2
80-6702330
Боковина
В узле: 1
3
80-6702328-01
Накладка
В узле: 1
4
85-6700330
Панель
В узле: 1
5
85-6700340
Панель
В узле: 1
27
С 6.01.019
Шайба
В узле: 10
7
Шайба
В узле: 20
8
M8-6gx25.88.35.019
Болт
В узле: 14
9
6702.337
Коврик
В узле: 1
10
85-6700036-Б
Коврик левый
В узле: 1
11
1-4x25.019
Шуруп
В узле: 28
14
1221Д-6700050
Установка накладки
В узле: 1
15
80-8100100
Панель
В узле: 1
16
1221-6700065
Накладка
В узле: 1
17
80-6700205
Накладка
В узле: 1
18
1221-6700050
Накладка
В узле: 1
19
1221-6700060
Накладка
В узле: 1
20
85-6700040-Б
Пульт
В узле: 1
21
80-6702190-Б
Крышка
В узле: 1
22
85-6702390-Б
Крышка
В узле: 1
23
М6-6gx16.88.35.019
Болт
В узле: 19
24
70-6702111
Угольник
В узле: 2
25
80-6702468-А
Прокладка
В узле: 1
28
М8-6gx16.88.35.019
Болт
В узле: 4
29
80-6702310
Полик
В узле: 1
30
80-6702348
Прижим левый
В узле: 1
30
80-6702348-01
Прижим правый
В узле: 1
31
В.М6-6gx12.58.019
Винт
В узле: 4
32
80-6702085
Крышка
В узле: 1
33
80-6702243
Чехол
В узле: 1
33
80П-6702270
Чехол (рычаг КПП справа)
В узле: 1
35
80-6700370-Б
Кожух
В узле: 1
36
80-6702328
Накладка
В узле: 1
37
80-6702320
Боковина
В узле: 1
38
M8-6gx40.88.35.019
Болт
В узле: 2
39
80-6700320
Панель
В узле: 1
40
M6-6gx20.88.35.019
Болт
В узле: 5
41
80-6700085
Кронштейн
В узле: 1
Содержащиеся в справочниках-каталогах запасные части и детали не предлагаются к продаже, а носят исключительно информационный характер

Ваша заявка была отправлена. В ближайшее время наши специалисты с Вами свяжутся по указанному Вами телефону.

Представьтесь
Поле обязательно для заполнения
Ваш телефон
Введите правильный номер телефона
E-mail
Введите правильный e-mail
Тема
Тема
применяемость финансирование доставка цена, наличие другое сервис и гарантия
Время для звонка
08:00
08:00 09:00 10:00 11:00 12:00 13:00 14:00 15:00 16:00 17:00 18:00 19:00
19:00
08:00 09:00 10:00 11:00 12:00 13:00 14:00 15:00 16:00 17:00 18:00 19:00

Мы постараемся перезвонить в указанное время

Если вы не хотите ждать, то звоните нашим вежливым консультантам:

8 800 100-2-700
Название
Представьтесь
Поле обязательно для заполнения
Ваш город
Ваш город
Ваш телефон
Введите правильный номер телефона
E-mail
Введите правильный e-mail
Сообщение
Вы можете приложить любые документы (например, список требуемых позиций)
Подтвердите, что вы не робот
Подтвердите, что вы не робот
Подтвердите, что вы не робот
Подтвердите, что вы не робот
Спасибо!

Ваше сообщение успешно отправлено!

ЗакрытьПовторить попытку