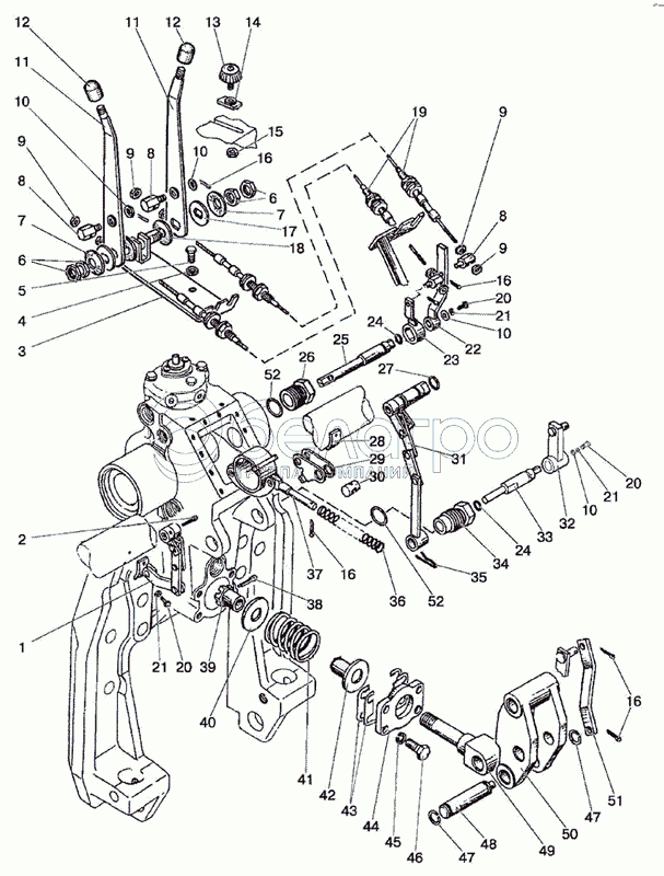
Каталог запасных частей к технике: МТЗ-1021.3. Управление гидроподъемником

zoom-in zoom-out enlarge shrink circle-right circle-left file-text2 info cart arraw right arraw left zoom out zoom in arraw maximize arraw minimize
1
2
3
4
5
6
6
7
7
8
8
8
9
9
9
9
10
10
10
10
11
11
12
12
13
14
15
16
16
16
16
17
18
19
19
20
20
20
21
21
21
22
23
24
24
25
26
27
28
29
30
31
31
32
33
34
35
36
37
38
39
40
41
42
43
44
45
46
47
47
48
49
50
51
52
52
7
80В-1108347
Пружина тарельчатая
В узле: 2
80В-1108347 Пружина тарельчатая системы питания МТЗ Под заказ 190 тнг.
12
А13.11.000
Рукоятка
В узле: 2
А13.11.000 Рукоятка МТЗ управления подачей топлива Под заказ 237 тнг.
19
23.588.1.1.2.00.01-01
Трос
В узле: 2
23.588.1.1.2.00.01-01 Трос (Morse L-900 трос) <10 шт. 3 298 тнг.
820-4635020А
Датчик силовой
В узле: 1
820-4635090-Б
Кронштейн
В узле: 1
1
820-4635025
Звено
В узле: 1
2
3,2x25.019
Шплинт
В узле: 1
3
820-4635095-Б
Кронштейн
В узле: 1
4
Шайба
В узле: 4
5
M8-6gx20.88.35.019
Болт
В узле: 4
6
М14x1,5-61-1.6.019
Гайка
В узле: 4
8
80В-1108317
Бонка
В узле: 4
9
М6-6Н.6.019
Гайка
В узле: 8
10
С 6.01.019
Шайба
В узле: 4
11
820-4635100-Б
Рычаг позиционный
В узле: 2
13
80-4616070
Винт
В узле: 1
14
820-4635082
Упор
В узле: 1
15
М6-6Н.019
Гайка
В узле: 1
16
3,2x18.019
Шплинт
В узле: 7
17
80-1108028
Шайба
В узле: 2
18
80-1108178
Шайба фрикционная
В узле: 2
19
Morse 900
Трос
В узле: 2
20
М6-6gx16.88.35.019
Болт
В узле: 6
21
Шайба
В узле: 6
22
820-4635080
Рычаг
В узле: 1
23
820-4635075
Рычаг
В узле: 1
24
011-015-25-2-4
Кольцо
В узле: 2
25
820-4635034
Валик
В узле: 1
26
820-4635033-Б
Втулка
В узле: 1
27
019-023-25-2-4
Кольцо
В узле: 1
28
820-4635046
Скоба
В узле: 1
29
820-4635070
Рычаг
В узле: 1
30
820-4635069
Фиксатор
В узле: 1
31
820-4635060
Звено суммирующее
В узле: 1
31
820-4635030
Звено
В узле: 1
32
820-4635015-Б
Рычаг
В узле: 1
33
820-4635016-В
Валик
В узле: 1
34
820-4635032-Б
Втулка
В узле: 1
35
820-4635049
Шплинт
В узле: 1
36
820-4635063
Пружина
В узле: 1
37
820-4635065
Кронштейн
В узле: 1
38
4x22.019
Шплинт
В узле: 1
39
820-4635024
Гайка
В узле: 1
40
820-4635023
Шайба
В узле: 1
41
820-4635022
Пружина
В узле: 1
42
820-4635026-Б
Втулка
В узле: 1
43
820-4635044-Б
Прокладка
В узле: 4
44
820-4635043-Б
Крышка
В узле: 1
45
12 ОТ
Шайба
В узле: 4
46
M12-6gx30.88.35.019
Болт
В узле: 4
47
С22
Кольцо
В узле: 2
48
820-4635018
Палец
В узле: 1
49
820-4635021
Шток
В узле: 1
50
820-4635019
Серьга
В узле: 1
51
820-4635048
Тяга
В узле: 1
52
027-032-30-1-4
Кольцо
В узле: 2
Содержащиеся в справочниках-каталогах запасные части и детали не предлагаются к продаже, а носят исключительно информационный характер

Ваша заявка была отправлена. В ближайшее время наши специалисты с Вами свяжутся по указанному Вами телефону.

Представьтесь
Поле обязательно для заполнения
Ваш телефон
Введите правильный номер телефона
E-mail
Введите правильный e-mail
Тема
Тема
применяемость финансирование доставка цена, наличие другое сервис и гарантия
Время для звонка
08:00
08:00 09:00 10:00 11:00 12:00 13:00 14:00 15:00 16:00 17:00 18:00 19:00
19:00
08:00 09:00 10:00 11:00 12:00 13:00 14:00 15:00 16:00 17:00 18:00 19:00

Мы постараемся перезвонить в указанное время

Если вы не хотите ждать, то звоните нашим вежливым консультантам:

8 800 100-2-700
Название
Представьтесь
Поле обязательно для заполнения
Ваш город
Ваш город
Ваш телефон
Введите правильный номер телефона
E-mail
Введите правильный e-mail
Сообщение
Вы можете приложить любые документы (например, список требуемых позиций)
Подтвердите, что вы не робот
Подтвердите, что вы не робот
Подтвердите, что вы не робот
Подтвердите, что вы не робот
Спасибо!

Ваше сообщение успешно отправлено!

ЗакрытьПовторить попытку