Каталог запасных частей к технике: МТЗ-1221. Тяги рулевые

zoom-in zoom-out enlarge shrink circle-right circle-left file-text2 info cart arraw right arraw left zoom out zoom in arraw maximize arraw minimize
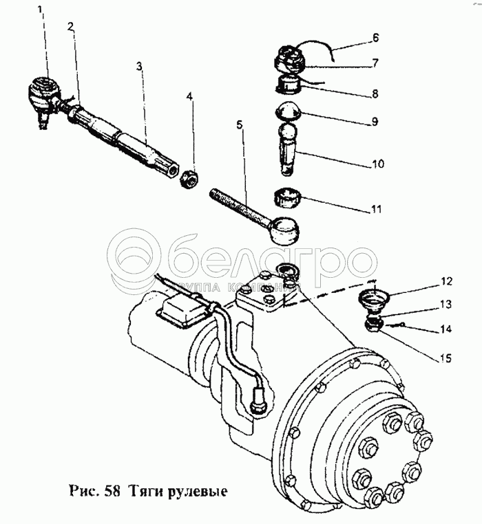
1
2
3
4
5
6
7
7
8
9
10
11
12
13
14
15
1
1220-3003020-А
Шарнир правый в сборе
В узле: 1
1220-3003020-А Наконечник рулевой тяги МТЗ правый (26 мм) (шарнир), (А) Под заказ 3 460 тнг.
10
1220-3003021
Палец шаровой
В узле: 4
1220-3003021 Палец МТЗ шаровой, (А) <10 шт. 565 тнг.
1220-3003010
Тяга рулевая
В узле: 1
1220-3003010 Тяга рулевая МТЗ под гидроцилиндр, (А) Под заказ 9 200 тнг.
1220-3003020-А-01
Шарнир левый в сборе
В узле: 1
1220-3003020-А-01 Наконечник рулевой тяги МТЗ левый (26 мм) (шарнир), (А) Под заказ 3 874 тнг.
1220-3003022-01
Корпус шарнира левый
В узле: 1
2
1220-3003013
Гайка с правой резьбой
В узле: 2
3
1220-3003011
Труба
В узле: 2
4
1220-3003013-01
Гайка с левой резьбой
В узле: 2
5
1220-3003022
Корпус шарнира правый
В узле: 1
6
2,0-О-S
Проволока L=270mm
В узле: 4
7
50-3003018-В
Пробка
В узле: 4
7
А35.32.006
Пробка
В узле: 4
8
1220-3003028
Вкладыш нижний
В узле: 4
9
1220-3003027
Вкладыш
В узле: 4
11
1220-3003023
Вкладыш верхний
В узле: 4
12
1220-3003025
Чехол шарнира
В узле: 4
13
1220-3003029
Кольцо
В узле: 4
14
4х36
Шплинт
В узле: 4
15
М20х1,5
Гайка
В узле: 4
Содержащиеся в справочниках-каталогах запасные части и детали не предлагаются к продаже, а носят исключительно информационный характер

Ваша заявка была отправлена. В ближайшее время наши специалисты с Вами свяжутся по указанному Вами телефону.

Представьтесь
Поле обязательно для заполнения
Ваш телефон
Введите правильный номер телефона
E-mail
Введите правильный e-mail
Тема
Тема
применяемость финансирование доставка цена, наличие другое сервис и гарантия
Время для звонка
08:00
08:00 09:00 10:00 11:00 12:00 13:00 14:00 15:00 16:00 17:00 18:00 19:00
19:00
08:00 09:00 10:00 11:00 12:00 13:00 14:00 15:00 16:00 17:00 18:00 19:00

Мы постараемся перезвонить в указанное время

Если вы не хотите ждать, то звоните нашим вежливым консультантам:

8 800 100-2-700
Название
Представьтесь
Поле обязательно для заполнения
Ваш город
Ваш город
Ваш телефон
Введите правильный номер телефона
E-mail
Введите правильный e-mail
Сообщение
Вы можете приложить любые документы (например, список требуемых позиций)
Подтвердите, что вы не робот
Подтвердите, что вы не робот
Подтвердите, что вы не робот
Подтвердите, что вы не робот
Спасибо!

Ваше сообщение успешно отправлено!

ЗакрытьПовторить попытку