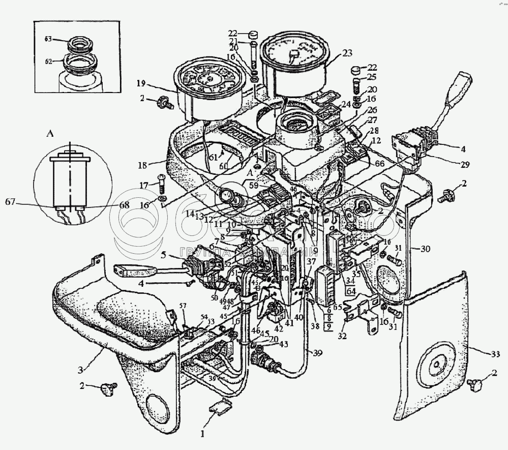
Каталог запасных частей к технике: МТЗ-2022. Щиток приборов

zoom-in zoom-out enlarge shrink circle-right circle-left file-text2 info cart arraw right arraw left zoom out zoom in arraw maximize arraw minimize
1
2
2
2
2
2
3
4
4
4
5
6
6
7
8
8
8
9
9
9
10
11
12
12
13
14
16
16
16
16
16
16
16
17
18
19
20
20
20
20
21
22
22
23
24
25
26
27
28
29
30
31
31
32
33
34
35
36
37
38
39
39
40
41
43
43
45
45
45
46
46
47
48
49
50
51
52
53
54
57
59
60
61
62
63
64
65
66
67
68
37
70-3506027
Втулка
В узле: 1
70-3506027 Втулка МТЗ, Беларусь Под заказ 46 тнг.
1
ПР-43-01
Уплотнитель
В узле: 1
2
80-3805065
Винт
В узле: 5
3
822-3805162
Боковина
В узле: 1
4
ВМ5Х16
Винт
В узле: 6
5
3709.145
Переключатель подрулевой
В узле: 1
6
3747.20
Реле-сигнализатор
В узле: 1
51
ВМ6х16
Винт
В узле: 1
8
М5
Гайка
В узле: 6
9
Шайба
В узле: 6
10
3747.10
Прерыватель указателей поворота
В узле: 1
11
3710.55
Выключатель «массы»
В узле: 1
12
5336-3710015
Рамка выключателя
В узле: 4
13
3710.15
Выключатель стартера с блокировкой пуска
В узле: 1
14
822-3805013-01
Табличка
В узле: 1
16
С 6.01.019
Шайба
В узле: 7
25
М6Х16
Болт
В узле: 3
18
923-3805121
Панель
В узле: 1
19
3801.40
КоМ6инация приборов КП-6 частотная
В узле: 1
20
Шайба
В узле: 18
21
М6х60
Болт
В узле: 1
22
А30.04.017
Колпачок
В узле: 2
23
3813.30
Индикатор коМ6инированный
В узле: 1
24
3813.40
Пульт управления
В узле: 1
26
822-3709124
Чехол
В узле: 1
27
3710.10
Выключатель аварийной сигнализации
В узле: 1
28
3709.20
Переключатель света
В узле: 1
29
3709.235
Переключатель стеклоочистителя
В узле: 1
30
822-3805161
Боковина
В узле: 1
31
М6х25
Винт
В узле: 4
32
822-3805095
Кронштейн
В узле: 1
33
822-3805163
Кожух
В узле: 1
34
3722.10
Блок предохранителей
В узле: 1
35
822-3805080-Б
Кронштейн
В узле: 1
36
822-3724010-Б
Жгут
В узле: 1
38
ВМ6Х20
Винт
В узле: 4
39
925-3724390
Жгут
В узле: 1
40
80-3723043
Скоба
В узле: 1
41
3722.15
Блок предохранителей
В узле: 1
43
М6
Гайка
В узле: 8
45
80-3723045
Манжета
В узле: 9
46
822-3805050
Основание
В узле: 1
47
822-3723044
Хомутик
В узле: 1
48
ШЧ8
Шайба
В узле: 1
49
ШП8
Шайба
В узле: 1
50
М8х20
Болт
В узле: 1
52
3747.50
Реле на замыкание
В узле: 2
53
822-3805072
Кронштейн
В узле: 1
54
822-3805073-Б
Кронштейн
В узле: 1
57
4x10
Винт
В узле: 4
59
80-3801327
Заглушка
В узле: 1
60
3803.20
Блок контрольных ламп
В узле: 1
61
4x16
Шуруп
В узле: 2
62
80В-3709028
Вставка
В узле: 1
63
80-3723048
Втулка
В узле: 1
64
822-3805026-Б
Табличка
В узле: 1
65
822-3805027-Б
Табличка
В узле: 1
66
3710.30
Выключатель фар рабочих
В узле: 1
67
3710.040-01
Колодка 30-16-06570
В узле: 1
68
3710.040-02
Колодка 30-16-06571
В узле: 1
Содержащиеся в справочниках-каталогах запасные части и детали не предлагаются к продаже, а носят исключительно информационный характер

Ваша заявка была отправлена. В ближайшее время наши специалисты с Вами свяжутся по указанному Вами телефону.

Представьтесь
Поле обязательно для заполнения
Ваш телефон
Введите правильный номер телефона
E-mail
Введите правильный e-mail
Тема
Тема
применяемость финансирование доставка цена, наличие другое сервис и гарантия
Время для звонка
08:00
08:00 09:00 10:00 11:00 12:00 13:00 14:00 15:00 16:00 17:00 18:00 19:00
19:00
08:00 09:00 10:00 11:00 12:00 13:00 14:00 15:00 16:00 17:00 18:00 19:00

Мы постараемся перезвонить в указанное время

Если вы не хотите ждать, то звоните нашим вежливым консультантам:

8 800 100-2-700
Название
Представьтесь
Поле обязательно для заполнения
Ваш город
Ваш город
Ваш телефон
Введите правильный номер телефона
E-mail
Введите правильный e-mail
Сообщение
Вы можете приложить любые документы (например, список требуемых позиций)
Подтвердите, что вы не робот
Подтвердите, что вы не робот
Подтвердите, что вы не робот
Подтвердите, что вы не робот
Спасибо!

Ваше сообщение успешно отправлено!

ЗакрытьПовторить попытку