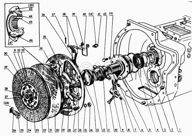
Каталог запасных частей к технике: МТЗ-80. Корпус сцепления (диски, отводка)

zoom-in zoom-out enlarge shrink circle-right circle-left file-text2 info cart arraw right arraw left zoom out zoom in arraw maximize arraw minimize
1
2
3
4
5
6
7
8
9
9
10
11
12
13
14
14
15
16
17
18
19
20
21
22
23
24
25
25
26
27
28
29
30
31
32
33
33
34
35
36
37
38
39
40
41
42
43
44
45
46
47
2
50-1601319
Шайба маслоотражательная
В узле: 1
50-1601319 Шайба МТЗ корпуса сцепления Под заказ 392 тнг.
5
50-1601172-А
Кронштейн отводки
В узле: 1
50-1601172-А Кронштейн МТЗ отводки Под заказ 11 122 тнг.
50-1601172-А Кронштейн МТЗ отводки, (А) Под заказ 4 041 тнг.
7
50-1601203
Вилка
В узле: 2
50-1601203 Вилка МТЗ отводки, САЗ* >10 шт. 1 971 тнг.
50-1601203 Вилка МТЗ отводки, (А) Под заказ 505 тнг.
11
50-1601185
Отводка
В узле: 1
50-1601185 Отводка МТЗ без подшипника, (А) >10 шт. 1 317 тнг.
50-1601185 Отводка МТЗ без подшипника, БЗТДиА <10 шт. 3 893 тнг.
13
50-1601072
Стакан пружины
В узле: 12
50-1601072 Стакан МТЗ пружины, БЗТДиА <10 шт. 403 тнг.
17
70-1601074
Втулка
В узле: 6
70-1601074 Втулка МТЗ >10 шт. 896 тнг.
20
70-1601093
Диск нажимной
В узле: 1
70-1601093 Диск нажимной МТЗ, БЗТДиА <10 шт. 21 950 тнг.
70-1601093 Диск нажимной МТЗ, (А) Под заказ 8 127 тнг.
36
70-1601094
Рычаг отжимной
В узле: 3
70-1601094 Рычаг МТЗ корзины сцепления, БЗТДиА >10 шт. 1 837 тнг.
70-1601094 Рычаг (А) <10 шт. 487 тнг.
41
50-1601098
Винт регулировочный
В узле: 3
50-1601098 Винт МТЗ корзины сцепления регулировочный с гайкой, (А) Под заказ 96 тнг.
50-1601098 Винт регулировочный МТЗ корзины сцепления, без гайки, БЗТДиА >10 шт. 906 тнг.
44
70-1601091
Демпфер
В узле: 12
70-1601091 Демпфер МТЗ ступицы корзины сцепления , Беларусь Под заказ 857 тнг.
45
70-1601053
Втулка
В узле: 1
70-1601053 Втулка МТЗ опорного диска корзины сцепления, в ступице, БЗТДиА <10 шт. 5 595 тнг.
50-1601180
Отводка с подшипником в сборе
В узле: 1
50-1601180 Отводка МТЗ в сборе с подшипником (выжимной подшипник), (А) >10 шт. 6 519 тнг.
70-1601090
Диски в сборе
В узле: 1
70-1601090 Диск МТЗ сцепления старого образца (корзина), SPILE Под заказ 29 788 тнг.
70-1601130
Диск сцепления в сборе
В узле: 1
70-1601130 Диск сцепления МТЗ на пружинках, (А) Под заказ 4 660 тнг.
70-1601130 Диск сцепления МТЗ (резиновый демпфер), (А) Под заказ 6 516 тнг.
70-1601120
Диск опорный в сборе
В узле: 1
70-1601060
Кронштейн отводки в сборе
В узле: 1
1
Подшипник 210 ГОСТ 8338-75
Подшипник 210 ГОСТ 8338-75
В узле: 4
3
КФА 50х70
Манжета 2-50х70-1 ГОСТ 8752-70 (входит в дет.50-1601172А)
В узле: 1
4
Кольцо 110-115-30-1-4
Кольцо 110-115-30-1-4
В узле: 1
6
Масленка 1.1.Ц6 ГОСТ 19853-74
Масленка 1.1.Ц6 ГОСТ 19853-74
В узле: 1
8
50-1601218
Шпонка
В узле: 4
9
Шайба 10 ОТ ОСТ 37.001.115-75
Шайба 10 ОТ ОСТ 37.001.115-75
В узле: 4
10
Болт М10-6gх30.88.35.019 ГОСТ 7796-70
Болт М10-6gх30.88.35.019 ГОСТ 7796-70
В узле: 5
12
Подшипник упорный 986714 КС 17
Подшипник упорный 986714 КС 17
В узле: 1
14
Гайка М12х1,25.6Н.6.019 ГОСТ 5915-70
Гайка М12х1,25.6Н.6.019 ГОСТ 5915-70
В узле: 6
15
12 ОТ
Шайба ОСТ 37.001.115-75
В узле: 6
16
77.55.121-1
Пружина
В узле: 12
18
77.55.230
Пружина внутренняя
В узле: 12
19
70-1601092
Шайба изоляционная
В узле: 12
21
70-1601133
Диск ведомый
В узле: 1
22
70-1601138
Накладка сцепления
В узле: 2
23
50-1601043-К
Диск поддерживающий
В узле: 1
24
Заклепка 4х6 ОН 025-181-63
Заклепка 4х6 ОН 025-181-63
В узле: 12
25
70-1601161
Пластина опорная
В узле: 16
26
70-1601071
Демпфер
В узле: 8
27
50-1601326-К
Палец упорный
В узле: 4
28
50-1601142-К
Ступица диска
В узле: 1
29
50-1601044-В
Пластина
В узле: 6
30
50-1601046-К
Диск ограничительный
В узле: 2
31
Заклепка 2-4х6-620 ГОСТ 12642-67
Заклепка 2-4х6-620 ГОСТ 12642-67
В узле: 48
32
Заклепка 6х10.01.019 ГОСТ 10300-68
Заклепка 6х10.01.019 ГОСТ 10300-68
В узле: 4
33
Заклепка 8х22.01.019 ГОСТ 10299-68
Заклепка 8х22.01.019 ГОСТ 10299-68
В узле: 14
34
70-1601125
Диск опорный
В узле: 1
35
70-1601123
Штифт опорный (входит в дет.70-1601125)
В узле: 3
37
Шплинт 3,2х18-001 ГОСТ 397-66
Шплинт 3,2х18-001 ГОСТ 397-66
В узле: 3
38
Шайба 8.01.019 ГОСТ 11371-78
Шайба 8.01.019 ГОСТ 11371-78
В узле: 6
39
50-1601083-Б
Пружина рычага
В узле: 3
40
Палец 8х65 ОН 025-196-68
Палец 8х65 ОН 025-196-68
В узле: 3
42
Болт М10-6gх25.88.35.019 ГОСТ 7796-70
Болт М10-6gх25.88.35.019 ГОСТ 7796-70
В узле: 3
43
70-1601051
Ступица (входит в дет.70-1601125)
В узле: 1
46
70-1601062
Шайба
В узле: 2
47
Заклепка 6х30.01.019 ГОСТ 10300-68
Заклепка 6х30.01.019 ГОСТ 10300-68
В узле: 3
Содержащиеся в справочниках-каталогах запасные части и детали не предлагаются к продаже, а носят исключительно информационный характер

Ваша заявка была отправлена. В ближайшее время наши специалисты с Вами свяжутся по указанному Вами телефону.

Представьтесь
Поле обязательно для заполнения
Ваш телефон
Введите правильный номер телефона
E-mail
Введите правильный e-mail
Тема
Тема
применяемость финансирование доставка цена, наличие другое сервис и гарантия
Время для звонка
08:00
08:00 09:00 10:00 11:00 12:00 13:00 14:00 15:00 16:00 17:00 18:00 19:00
19:00
08:00 09:00 10:00 11:00 12:00 13:00 14:00 15:00 16:00 17:00 18:00 19:00

Мы постараемся перезвонить в указанное время

Если вы не хотите ждать, то звоните нашим вежливым консультантам:

8 800 100-2-700
Название
Представьтесь
Поле обязательно для заполнения
Ваш город
Ваш город
Ваш телефон
Введите правильный номер телефона
E-mail
Введите правильный e-mail
Сообщение
Вы можете приложить любые документы (например, список требуемых позиций)
Подтвердите, что вы не робот
Подтвердите, что вы не робот
Подтвердите, что вы не робот
Подтвердите, что вы не робот
Спасибо!

Ваше сообщение успешно отправлено!

ЗакрытьПовторить попытку