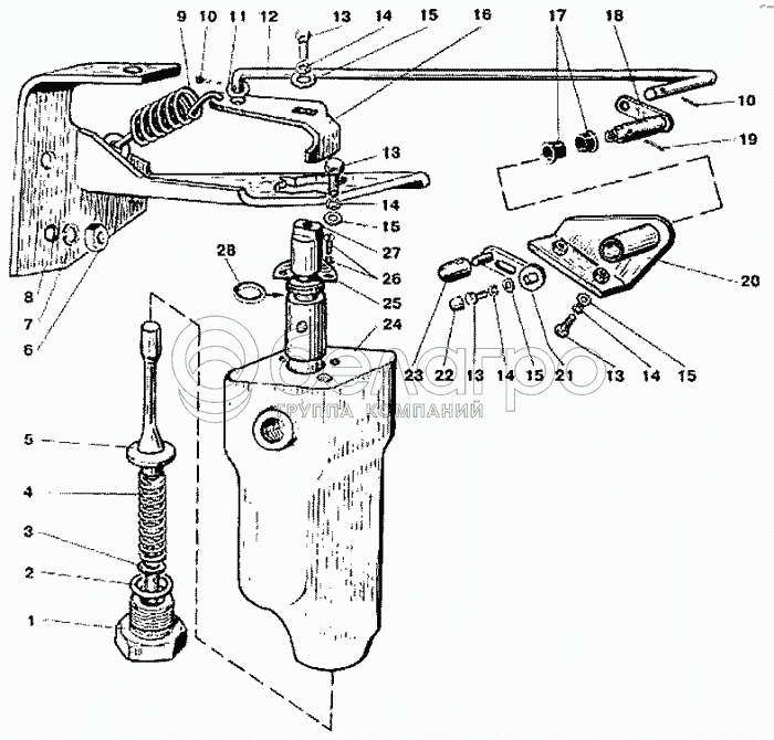
Каталог запасных частей к технике: МТЗ-900. Датчик блокировки. Арматура датчика блокировки

zoom-in zoom-out enlarge shrink circle-right circle-left file-text2 info cart arraw right arraw left zoom out zoom in arraw maximize arraw minimize
1
2
3
4
5
6
7
8
9
10
10
11
12
13
13
13
13
14
14
14
14
15
15
15
15
16
17
18
19
20
21
22
23
24
25
26
27
28
9
70-4803019
Пружина
В узле: 1
70-4803019 Пружина МТЗ, Беларусь Под заказ 296 тнг.
23
А13.11.000
Рукоятка
В узле: 1
А13.11.000 Рукоятка МТЗ управления подачей топлива Под заказ 237 тнг.
3
Шайба ШП5
Шайба ШП5
В узле: 4
80-4801200
Кран блокировки
В узле: 1
1
80-4801220
Пробка
В узле: 1
2
Кольцо 015-019-25-2-2
Кольцо 015-019-25-2-2
В узле: 1
4
50-4609054
Пружина
В узле: 1
5
80-4801230
Клапан
В узле: 1
6
Гайка М10
Гайка М10
В узле: 2
7
Шайба ШП10
Шайба ШП10
В узле: 2
8
80-4803110
Кронштейн
В узле: 1
10
Шплинт 1,6х12
Шплинт 1,6х12
В узле: 2
11
Шайба ШЧ5
Шайба ШЧ5
В узле: 2
12
80-4803121
Тяга
В узле: 1
13
Болт М6х14
Болт М6х14
В узле: 5
14
Шайба ШП6
Шайба ШП6
В узле: 5
15
Шайба ШЧ6
Шайба ШЧ6
В узле: 5
16
80-4801216
Рычаг
В узле: 1
17
50-4607082А
Втулка
В узле: 2
18
80-4802030
Рычаг
В узле: 1
19
Шплинт 2х16
Шплинт 2х16
В узле: 1
20
80-4802020
Кронштейн
В узле: 1
21
80-4802040
Рычаг
В узле: 1
22
А30.04.017
Колпачок
В узле: 1
24
80-4801211
Корпус
В узле: 1
25
80-4801217
Стопор
В узле: 1
26
Винт М5
Винт М5
В узле: 2
27
80-4801212
Золотник крана
В узле: 1
28
Кольцо 016-020-25-2-2
Кольцо 016-020-25-2-2
В узле: 1
Содержащиеся в справочниках-каталогах запасные части и детали не предлагаются к продаже, а носят исключительно информационный характер

Ваша заявка была отправлена. В ближайшее время наши специалисты с Вами свяжутся по указанному Вами телефону.

Представьтесь
Поле обязательно для заполнения
Ваш телефон
Введите правильный номер телефона
E-mail
Введите правильный e-mail
Тема
Тема
применяемость финансирование доставка цена, наличие другое сервис и гарантия
Время для звонка
08:00
08:00 09:00 10:00 11:00 12:00 13:00 14:00 15:00 16:00 17:00 18:00 19:00
19:00
08:00 09:00 10:00 11:00 12:00 13:00 14:00 15:00 16:00 17:00 18:00 19:00

Мы постараемся перезвонить в указанное время

Если вы не хотите ждать, то звоните нашим вежливым консультантам:

8 800 100-2-700
Название
Представьтесь
Поле обязательно для заполнения
Ваш город
Ваш город
Ваш телефон
Введите правильный номер телефона
E-mail
Введите правильный e-mail
Сообщение
Вы можете приложить любые документы (например, список требуемых позиций)
Подтвердите, что вы не робот
Подтвердите, что вы не робот
Подтвердите, что вы не робот
Подтвердите, что вы не робот
Спасибо!

Ваше сообщение успешно отправлено!

ЗакрытьПовторить попытку